正激變換由于拓撲簡單,升/ 降壓范圍寬,廣泛應用于中小功率電源變換場合。正激變換器的輸出功率不象反激變換器那樣受變壓器儲能的限制,因此輸出功率較反激變換器大,但是正激變換器的開關管電壓應力高,為兩倍輸入電壓,有時甚至超過兩倍輸入電壓。過高的開關管電壓應力成為限制正激變換器容量繼續增加的一個關鍵因素。驅動芯片T L494 是一種價格便宜、驅動能力強、死區時間可控,同時帶有兩個誤差放大器,當負載變化時來進行電壓和電流反饋PI調節,這樣進一步加強了電源的穩定性。本文介紹了一款基于固定頻率脈寬調制控制芯片T L494 的30 W 電源,分析了該電路的結構,給出了具體的電路設計和實驗波形。
1.雙管正激變換器電路
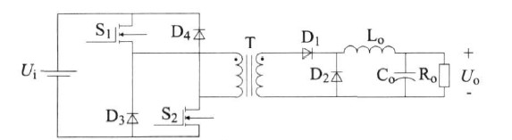
雙管正激變換器電路如圖1 所示。

圖1 雙管正激變換器
該主電路拓撲結構有三個優點:
( 1) 克服了單端正激變換器中開關電壓應力高的缺點。
( 2) 與全橋變換器和半橋變換器相比,每一個橋臂都是由一個二極管和一個開關管串聯組成,不存在橋臂直通的問題,可靠性高。
( 3) 不需要采用特殊的磁通復位技術,避免復雜的去磁繞組的設計和減少高頻變壓器的體積,使電路變得簡潔,也不需要加RCD 來進行復磁箝位,并能對電源進行饋電,提高了效率。
2.TL494特點
TL494是典型的固定頻率脈寬調制控制集成電路,它包含了控制開關電源所需的全部功能,可作為雙管正激式、半橋式、全橋式開關電源的控制系統。它的工作頻率為1~ 300 kHz,輸入電壓達40 V,輸出電流為200 mA,其內部原理圖如圖2 所示。

圖2 TL494內部功能方框圖
TL494內部設置了線性鋸齒波振蕩器,振蕩頻率f = 1. 1/ ( R C) ,它可由兩個外接元件R和C來調節(分別接6 腳和5 腳) 。TL494內設兩個誤差放大器,可構成電壓反饋調節器和電流反饋調節器,分別控制輸出電壓的穩定和輸出過流的保護; 設置了5V1%的電壓基準( 14 腳) ,它的死區時間調節輸出形式可單端,也可以雙端, 一般是作為雙端輸出類型的脈寬調制PWM,TL494 作為一種PWM控制芯片有如下特點:
(1) 控制信號由IC 外部輸入,一路送到死區時間控制端,一路送到兩路誤差放大器輸入端,又稱PWM比較器輸入端。
(2) 在輸出控制13腳接地時,這將使最大占空系數為已知輸出的96 %,而在輸出控制13 腳接參考電平時,占空比則是給定輸出的48 % 。
(3) 脈寬調制比較器、誤差放大器能調節輸出脈寬,當反饋電壓腳3從0.5~3.5V時,輸出脈寬從被死區時間控制輸入端確定的最大導通時間里下降到零。
(4) 死區時間控制比較器具有120 mV有效輸入補償電壓,它限制最小輸出死區時間近似等于鋸齒波周期時間的4 % 。在死區時間控制端,設置固定電壓時( 范圍0~ 0. 3V) 就能在輸出脈沖上產生附加的死區時間。
3.電源電路
3.1電源主電路
從圖3可以看出,電路結構簡單,容易實現,并在MOSFET 橋臂增加了霍爾傳感器,以保證輸出反饋電流環的要求。為了增加電路的通用性,設計的電路板增加了雙路輸出的功能,只要改變變壓器的設計,即可以完成多路輸出。當兩個主功率開關管截止時,原邊繞組的電壓極性相反,使另外一橋臂的兩個二極管導通,電壓被箝位在輸入電壓值。因此開關管承受的電壓與輸入電壓相同。在輸入電壓最大值低于350 V時,開關管只需要選擇450 V 的耐壓值即可。這里我們選用N 溝道MOSFET,IRF830( 4. 5 A/ 500 V) 。

圖3 雙管正激變換的主電路
3.2直流側電壓采樣
圖4 是對直流側輸出的電壓進行采樣,其中光耦選擇至關重要。我們選用TLP521,內部是兩只光耦集成在一個芯片中,其傳輸特性幾乎完全一致,根據電流相等的原理,這樣就能夠實現高精度的直流高壓隔離采樣。

圖4 直流側輸出電壓隔離采樣
由電路圖可知輸入輸出比:

只要合理選擇電阻的參數值,就可以把高壓側的輸出電壓降為需要的采樣電壓值。
3.3流過主電路開關管的電流采樣
圖5中4R1接主電路上的霍爾傳感器,有效地避免因變壓器原邊電流過流而可能出現燒壞主電路功率開關管的現象。為此,必須對流過MOSFET 開關管的脈沖電流大小進行采樣。當發生過流時,系統應能夠快速反應做出相應的保護措施。流過MOFET 脈沖電流經開環霍爾電流傳感器轉換為電壓信號,再經過簡單RC 濾波和同相比例放大器得到需要的電流采樣值。

圖5 來自霍爾傳感器電流采樣電路
3.4主控制電路
主控芯片電路如圖6。T L494的13腳接到高電平,運行在推挽輸出模式。10 腳作為驅動信號輸出接口,驅動電流可達500 mA。4 腳外圍電路是軟啟動部分。由于T L494 內部放大器15、1 6、3 腳組成的放大器構成了過流保護電路,一旦檢測到電流過流,則3 腳輸出高電平封閉了1、2、3腳組成的放大器。同時,使得PWM 輸出占空比減少,保證主電路開關管的安全。

圖6 主控芯片電路
反饋電壓的PI 調節部分的LM324 內部的一個放大器組成的電壓閉環。T L494 的1、2、3 腳組成的內部放大器構成了電流閉環。當輸出電壓偏高時,經過了電壓閉環電路后,ULOOP 變小,經過了電流閉環后,FB 端口電壓變大,輸出PWM 脈寬變小,輸出電壓調低。當變壓器原邊電流增大時,經過了電流閉環后,FB 端口電壓變大,輸出PWM 脈寬變小,電流值減小,可見構成的雙環系統可以穩定的運行。
3.5MOSFET驅動電路
主電路的兩個MOSFET 開關管要求同時開通,同時關閉。主控芯片TL494 發出的控制信號,要一分為二來驅動MOSFET。驅動信號經過推挽電路,再經過脈沖變壓器可以很方便的得到一對同相位的控制信號。
4.試驗波形
通過調壓器在供電電源端輸入110 V 的交流電壓,使得系統穩定的工作在30 V、1 A 的負載下,觀察TL494 電源芯片輸出的驅動信號波形、MOSFET 開關管Ugs、Uds 、負載正常工作時的波形、以及突然加載、突然掉載情況,其試驗波形如圖7。

圖7 試驗波形圖
結束語
開關電源最重要的兩個部分就是DC-DC 變換器和控制電路。文中通過樣機測試表明,該電路實用可靠,工作穩定。其不足之處是在提倡環保技術的今天,沒有進行PFC 和軟開關技術設計。
電話:18923864027(同微信)
QQ:709211280
〈烜芯微/XXW〉專業制造二極管,三極管,MOS管,橋堆等,20年,工廠直銷省20%,上萬家電路電器生產企業選用,專業的工程師幫您穩定好每一批產品,如果您有遇到什么需要幫助解決的,可以直接聯系下方的聯系號碼或加QQ/微信,由我們的銷售經理給您精準的報價以及產品介紹

