電動車控制器在電動車運行中扮演核心角色,其關鍵功能聚焦于精準調控電機的啟動、轉速及剎車斷電等操作,確保車輛穩定、高效且安全地運行。
一、控制器電源電路
鑒于電動車電池電壓通常在 36V 及以上,而控制器的核心元件,如單片機、各類數字電路芯片以及功率開關 MOS 管,均需適配較低的工作電壓。電源電路的設計便顯得至關重要。
該電源電路由 78L15 和 78L05 共同搭建。其中,78L05 負責為數字電路供應穩定的 5V 電壓,而 78L15 則承擔起為功率 MOS 管的控制極提供 15V 電壓的重任,如此一來,各核心部件便能在適配的電壓環境下高效運轉。
二、電池欠壓和過流保護電路
電池作為電動車的動力源泉,其狀態的優劣直接關乎車輛的使用壽命與運行安全。倘若電池電壓因過度放電而降至過低水平,又或是在放電過程中遭遇過大電流沖擊,都極易引發電池損壞,甚至埋下安全隱患。


電池欠壓和過流保護電路的設計,猶如給電池配備了一層堅固的防護盾。電池電壓 D + 經 R2、R3 并聯后再與 R4 串聯分壓,所獲取的電壓被精準輸送至單片機 AN1,進行 ADC 電壓檢測。一旦電池電壓滑落至預設的欠壓閾值之下,系統便即刻下達指令,禁止電機繼續轉動,以此避免電池陷入深度放電的困境。
與此同時,電機電流回路經 R55 取樣后,一路送入運放進行比較,比較后的信號迅速傳遞至單片機中斷,觸發過流關斷機制;另一路則經運放放大后,輸入至 ANO,實現對電機電流的實時監測與精準把控。如此雙管齊下,全方位守護電池免受過流傷害。
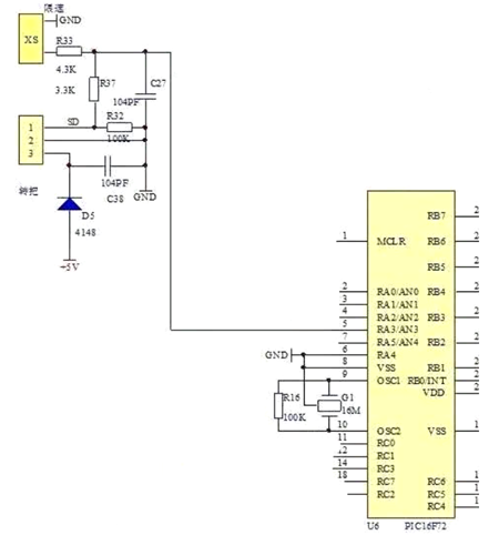
三、轉把調速和限速電路


在騎行過程中,車速的調節關乎騎行體驗與安全系數。轉把調速和限速電路應運而生,為用戶帶來便捷且精準的速度掌控。
轉把接口通常連接線性霍爾或電位器,其反饋的電壓信號被精準輸送至 AN3 進行檢測。系統依據該信號,精準計算出轉把的扭轉角度,進而實現對電動車速度的無級調控,滿足用戶在不同路況下的個性化車速需求。
而限速接口則配備了一個跳線開關,當其處于短接狀態時,R33 被接入電路,進而調控輸入至 AN3 的電壓值。這一巧妙設計,為電動車設置了一道速度上限的防線,有效防止車速過快帶來的潛在風險,尤其在下坡或人群密集等特殊場景下,為騎行者筑牢安全屏障。
四、剎車斷電電路
剎車操作是騎行過程中的關鍵安全環節。當騎行者實施剎車動作時,若電機持續供電運轉,不僅會造成電能的無端浪費,更會使剎車阻力大打折扣,增加剎車距離,嚴重威脅騎行安全。
剎車斷電電路的設計,巧妙地解決了這一問題。在剎車瞬間,H 點接入電壓信號,該信號經電阻分壓處理后,精準輸送至 AN4 進行檢測。系統一旦判定剎車動作發生,便迅速切斷電機供電回路,確保電機即刻停止運轉,全力輔助剎車效果,為騎行者帶來安全可靠的制動體驗。
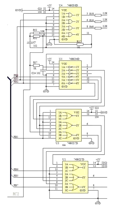
五、無刷電機控制電路


無刷電機憑借其高效能、低噪音以及長壽命等優勢,在電動車領域廣泛應用。其內部構造包含三個線圈,需借助 6 個功率 MOS 管構成的換流器,按照既定的順序依次導通,才能驅動電機順暢旋轉。
具體而言,無刷電機控制遵循獨特的導通順序:AH 與 BL 一組、AH 與 CL 一組、BH 與 CL 一組、BH 與 AL 一組、CH 與 AL 一組、CH 與 BL 一組,周而復始,形成完整的換流周期,推動電機持續運轉。


在電機控制電路中,RB4、RB3、RB2 三個單片機管腳肩負重任,分別輸出控制換流器上管的 PWM 信號;而 RB6、RB5、RB4 則對應輸出控制換流器下管的 PWM 信號,通過精準調控 PWM 信號的占空比,實現對電機轉速的精細控制。


值得一提的是,電路中還巧妙融入了 4 個 74 系列數字電路芯片,各司其職卻又緊密協作。U4(74HC08D)作為 4 路與門,當 RC2 引腳輸出低電平時,可有效禁止 PWM 信號輸出,為電機控制提供關鍵的邏輯判斷支持。U5(74HC04D)擔任反相器角色,與 U3(74HC27D)及 U2(三路與或門)協同作業,受 RB1 電平管控,一方面實現總開關對 PWM 輸出的精準調控,另一方面巧妙防止 MOS 管同時導通,避免引發短路故障,為電機的穩定運行保駕護航。


然而,數字電路芯片所輸出的信號,并不能直接用于驅動 MOS 管導通。為此,特設 MOS 管驅動電路,對數字信號進行功率放大與電平轉換,使其滿足 MOS 管的驅動要求,保障電機控制信號的精準傳遞與高效執行。
六、霍爾傳感器電路


霍爾傳感器在無刷電機的運行中發揮著不可或缺的作用。J1 接口連接安裝于電機上的霍爾傳感器,其核心使命在于精準測定電機轉子的實時位置信息。系統依據霍爾傳感器反饋的位置信號,結合電機運行狀態,精確調控輸出至電機驅動的 PWM 信號的時序與占空比,實現對電機轉速與運轉方向的精準控制,確保電機高效、平穩地運轉,為騎行者帶來流暢的駕駛體驗。
〈烜芯微/XXW〉專業制造二極管,三極管,MOS管,橋堆等,20年,工廠直銷省20%,上萬家電路電器生產企業選用,專業的工程師幫您穩定好每一批產品,如果您有遇到什么需要幫助解決的,可以直接聯系下方的聯系號碼或加QQ/微信,由我們的銷售經理給您精準的報價以及產品介紹
聯系號碼:18923864027(同微信)
QQ:709211280

